Energie

Waarom een pagina over de energie van de woning? Omdat we daar heel bewust mee bezig geweest zijn. We willen namelijk een duurzaam verwarmd en energie zuing huis. We zijn uitgekomen op een bodemwarmte pomp, met zonnecollectoren, buffervaten en PV panelen.
Om optimaal de zon te kunnen benutten is het huis gedraaid op de kavel zodat de lange zijde op zuid is gericht. Bijkomend voordeel is dat er ook lekker zon in huis komt.

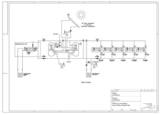
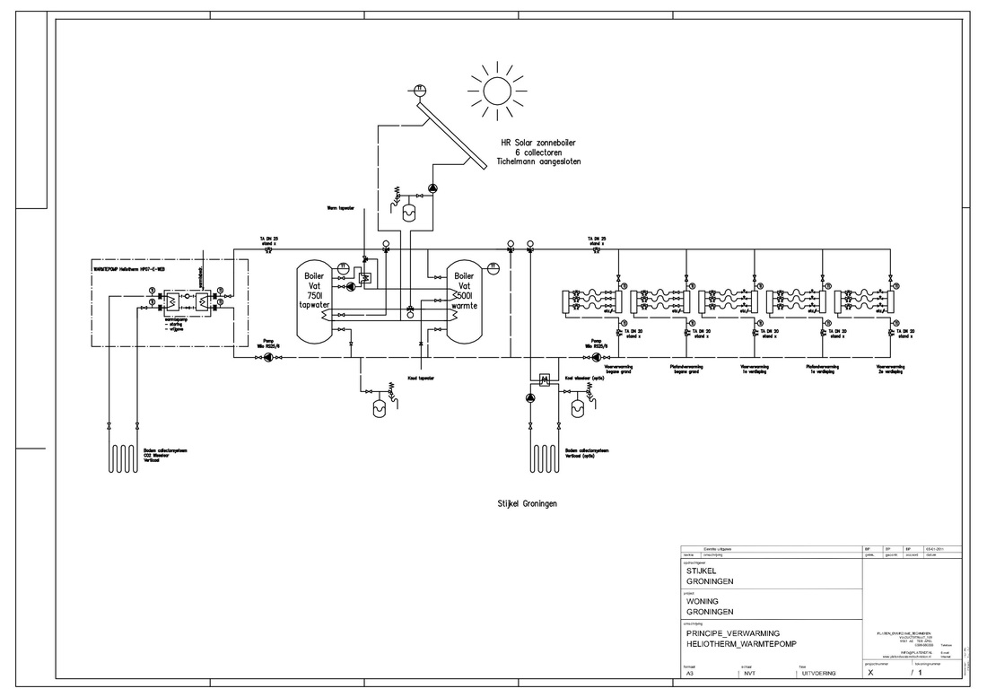
Bodemwarmtepomp, buffervaten en zonnecollectoren

De bodemwarmte pomp is voorzien van een CO2 bodemwarmte wisselaar. Deze wisselaar geeft de installatie een hoger rendement dan de gebruikelijke water/glycol warmtewiselaars. De bodemwarmtepomp is aangesloten op twee warmte buffervaten van 800 en 500 liter. De eerste is een warmte opslag voor warmtwaterbereiding de tweede is bedoeld als warmte buffer voor de verwarming. 
Het geheel wordt voorzien van een 6 tal zonnecollectoren eze zullen eerst het grote buffervat verwarmen omdat de bodemwarmte pomp een lager rendement heeft bij hogere temperaturen. Door de grote voorraad kunnen we meerdere dagen overbruggen zonder dat de pomp het vat hoeft te verwarmen. Wanneer deze buffer heet genoeg is zal automatisch het kleinere vat door de collectoren worden meegenomen.

Om efficient en met een lage temperatuur te kunnen verwarmen wordt in het hele huis vloerverwarming toegepast. De vloerverwarmingleidingen zullen worden aangebracht in de vloeren en in de plafonds van de beganegrond en eerste verdieping. Het grote voordeel hier van is dat met een lagere watertemperatuur kan worden verwarmd maar ook dat er een zeer stabiel temperatuur verloop in de vertrekken heerst. Daardoor zal het kille effect in het voor- en najaar aanzienlijk worden verminderd.

Om nog zoveel mogelijk energie te besparen is het huis extra goed geïsoleerd (Rc waarde >= 5) en wordt er drievoudig glas toegepast. ook wordt er isiolatie aangebracht tussen de verdiepingen om te voorkomen dat de koudere slaapkamers zorgen voor een relatef groot warmteverlies in de verdieping er onder.

Zonnepanelen

Als laatste zal er 4500 Wp aan zonnepanelen worden geïnstalleerd. Hiermee moet het extra stroom verbruik van de bodemwarmte pomp en een deel van de stroom die we zelf consumerne. Al met al hopen we met €50 euro per maand aan energie kosten toe te kunnen.